淡水區民生路117巷33-2號3樓|山水御庭

  • 新北市淡水區民生路117巷33-2號3樓
  • 執行法院:
    士林地方法院
  • 拍次:
    1拍
  • 拍賣日期:
    2025-09-22
  • 拍賣時間:
    14:30
  • 點交狀態:
    點交
  • 執行狀態:
    流標
  • 拍賣底價:
    1435萬
  • 保證金:
    287萬
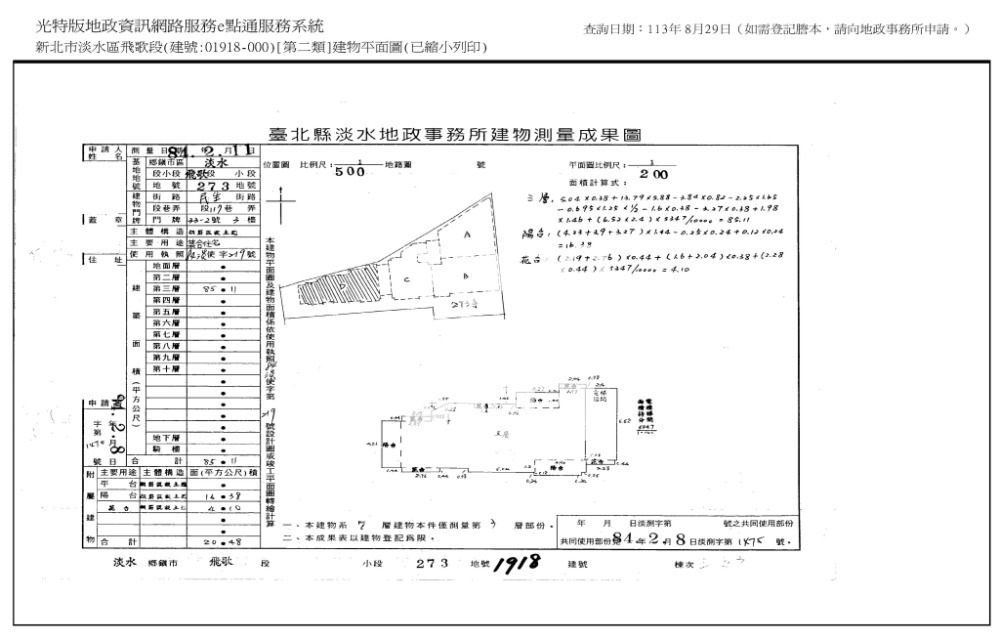
  • 權狀坪數:
    38.89坪
  • 建物單價:
    36.9萬
  • 土地面積:
    6.89坪

- 產權資料 -

  • 完工結構:
    鋼筋混泥土
  • 主要用途:
    住家用
    • 社 區:
      山水御庭
    • 權狀坪數:
      38.89坪
    • 類 型:
      電梯公寓
    • 公設坪:
      6.95坪
    • 屋 齡:
      30年
    • 增建坪:
    • 樓 層:
      3/7
    • 室內建物:
      31.94坪
    • 車 位:
    • 車位坪:
  • 抵押債權:
    • 匯豐商銀:
      480
    • 郭OO:
      120

- 查封筆錄 -

    1‧1918建號拍定後點交。

    2‧民國113年5月9日現場查封時,債務人劉o汝即劉o芬在場稱為其居住使用,未出租出借他人。房屋因地震而有客廳及廚房屋頂上方有裂痕情形。惟現在實際情形如何,仍請應買人自行查明注意。

    3‧投標人應自行查明債務人有無積欠管理費,並注意拍定後民法第826條之1第3項規定之適用問題。

    《拍賣抵押物》

- 其 他 -

- 拍賣履歷 -

一拍底價
2025/09/22
1435萬
預估二拍
1148萬
預估三拍
918.4萬
預估四拍
734.7萬

嚴選法拍屋件

我們幫您精選出優質的法拍屋
省去您大海撈針的時間

安全交易

我們提供第三方公正交易
讓您買的放心住的安心

收費透明

拍賣價格3%
(底價350萬元以下收費100,000元)